كيف أسس لـ كاميرات المراقبة ؟ هذا السؤال من أكثر الأسئلة التي تُوجه لنا في SDT ،
لهذا حرصنا أن نُجيب عليه بالتفصيل ونُقدم لكل عميل سواء كان من أصحاب المنازل أو الشركات أسس الإستعداد الصحيحة لتركيب نظام كاميرات مراقبة
سواء كنت تقوم ببناء منزل جديد أو ترميمه يجب أن تعلم أن أفضل وقت تقوم بتمديدات كابلات كاميرات المراقبة قبل التشطيب؛ لأنه يتيح لك أكثر من خيار لتركيب الكاميرات وإخفاء الكابلات
1- حدد نوع الكاميرات
هل ترغب في استخدام كاميرا IP أو كاميرات HD لأن هذا يعتمد عليه نوع الكابل الذي سيتم تمديده حيث أن كابل CAT-6 (كيبل شبكات) يتم استخدامه عند تثبيت كاميرات IP أما كابل Coax (كيبل دش) يتم توصيله بكاميرات HD
2 - حدد مكان تركيب الكاميرات و الشاشات
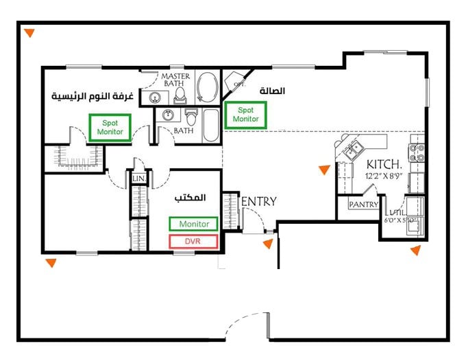
وتشير الخطة اعلاة إلى أهم الأماكن المقترحة لوضع كاميرات المراقبة وجهاز الـ DVR وشاشة العرض الرئيسية Monitor وشاشتي عرض إضافية Monitor Spot

كما هو موضح الأسهم البرتقالية تُشير إلى المواقع المقترحة لتثبيت كاميرات المراقبة، وشاشة عرض واحدة، وجهاز تسجيل DVR في المكتب، بالإضافة إلى شاشات فرعية في الصالة و غرفة النوم
3 - تمديد كابلات الكاميرات
إذا كنت تنوي استخدام كاميرات HD قم بسحب كابل من موقع كل كاميرا إلى موقع جهاز الـتسجيل
أما إذاكنت تريد كاميرات IP قم بسحب كابل من نوع CAT-6 من موقع كل كاميرا إلى موقع جهاز التسجيل

أما في حالة عدم تأكدك من نوع الكاميرات التي ترغب في تركيبها و ستقرر فيما بعد، كل ما عليك هو تثبيت كابل CAT-6 كما يمكنك أن تقوم باستخدام Video Baluns لربط كاميرات الـ HD عبر كابلات كابل CAT-6

بالمخطط ستجد جهاز يقع بجانب الـ DVR، هو شاشة العرض الرئيسية Monitor والتي سيتم استخدامها لإدارة جهاز التسجيل ،
ليس هناك حاجة إلى تمديد أسلاك لشاشة العرض مسبقا لأنها يمكن توصيلها بسهولة بـ DVR من خلال كابل VGA أو HDMI

لتوصيل الشاشتين الفرعيتين يجب عليك أن تستخدم كابل HDMI
مع العلم أن كابل HDMI ليس مرن وبالتالي لن يكون عملي عند استخدامه في المسافات الطويلة
لذلك نقترح استخدام HDMI over CAT6، هو نظام يحتوي على جهاز إرسال وجهاز إستقبال لتحويل كابل ال HDMI إلى كابل CAT-6

أما إذا كان جهاز التسجيل به مخرج HDMI واحد حينها ستحتاج إلى موزع HDMI

إن كنت تود الإستفسار أو المناقشة حول أنواع الكاميرات أو انواع الكابلات يسعدنا تواصلك معنا
0590050017